Network analyzer panel current, voltage, frequency, power, energy, RS485

In stock - 27 items available
SKU: TPM-04SHDL
Common price €148,80 incl. VAT

3-phase network analyzer / network analyzer / network analyzer - multi-function digital panel meter, current, voltage, frequency and total power indicator, relay output, RS485 ModBus RTU - TPM-04SHDL manufacturer TENSE (Turkey) panel meters.

Power analyzers are designed to measure and monitor electrical values. Thanks to the communication function, measured energy values ​​can be monitored and reported independently. Power analyzers can be used to perform analyses such as power quality, efficiency and unit cost calculation.

Main advantages:

  • RS485 Modbus RTU (1200-19200b/s).
  • Three-phase voltage transformer and three-phase current transformer.
  • Displays the harmonic components of voltage and current up to the 31st harmonic.

  • Displays active power in steps (P)

  • Displays reactive power by phase (Q, inductive and capacitive).

  • Displays apparent power in steps (S)

  • Displays the Cosφ and power factor values ​​for each phase.

  • Displays voltage (V) and current (I) values ​​between phases and neutral and measures frequency.

  • Shows the total values ​​of active energy import and export (ΣkWh).

  • Displays the total values ​​of inductive and capacitive reactive energy (ΣkVArh).

  • Shows minimum and maximum values, maximum demand and maximum power.

  • 2 relay outputs, 1 digital input

  • Event logs (high/low voltage/current, voltage/current asymmetry, THD-I).

  • The menu is password protected.

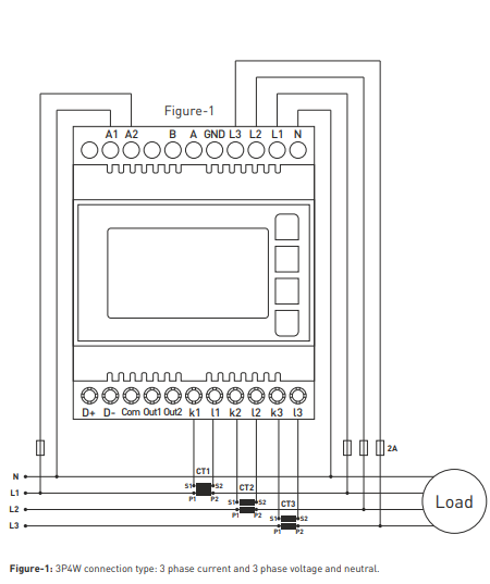
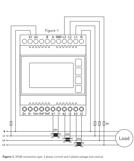
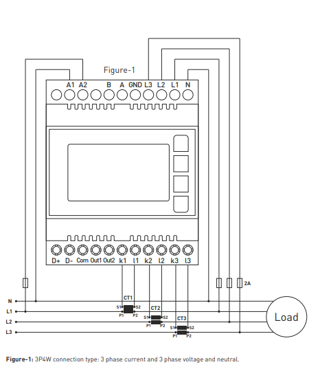
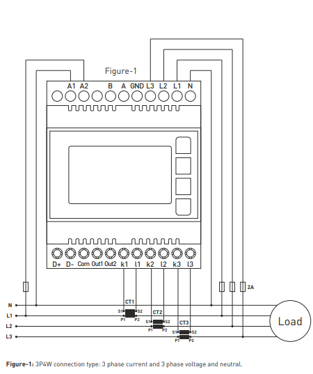
Typically, this network analyzer is used with current measuring transformers - 60/5 75/5 100/5 150/5 200/5 250/5 300/5 400/5 500/5 600/5 800/5 1000/5 1500/5 or similar. If you plan to connect the analyzer to a ModBus network, we will send you a "registration table" with ModBus addresses upon request.

Online bank payment - after ordering you will be redirected to the payment service, payment confirmation will be sent to you by email

Cash on delivery - payment is made to the driver of the transport company according to the payment rule

By transfer - you will receive an advance invoice in your email no later than the next working day, where you will find the account number, which you enter when making the payment.

Invoice - this payment option is available to partners who have a framework agreement with us.

​If you want to use the last two payment methods, please call our manager and he will give you instructions on how to get an invoice with or without VAT.

The electronic devices we supply meet high quality standards, have a 24-month warranty, and meet all EU requirements.

In the event of a complaint, there is no charge for returning the product.