
Notified by email when this product becomes available
- Description
- Instructions
- Payment methods
- Takuu
3-phase network analyzer / network analyzer / network analyzer - multi-function digital panel meter, current, voltage, frequency and total power indicator, relay output, RS485 ModBus RTU - TPM-04SHDL manufacturer TENSE (Turkey) panel meters.
Power analyzers are designed to measure and monitor electrical values. Thanks to the communication function, measured energy values can be monitored and reported independently. Power analyzers can be used to perform analyses such as power quality, efficiency and unit cost calculation.
Main advantages:
- RS485 Modbus RTU (1200-19200b/s).
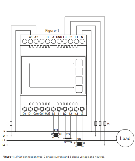
- Three-phase voltage transformer and three-phase current transformer.
Displays the harmonic components of voltage and current up to the 31st harmonic.
Displays active power in steps (P)
Displays reactive power by phase (Q, inductive and capacitive).
Displays apparent power in steps (S)
Displays the Cosφ and power factor values for each phase.
Displays voltage (V) and current (I) values between phases and neutral and measures frequency.
Shows the total values of active energy import and export (ΣkWh).
Displays the total values of inductive and capacitive reactive energy (ΣkVArh).
-
Shows minimum and maximum values, maximum demand and maximum power.
2 relay outputs, 1 digital input
Event logs (high/low voltage/current, voltage/current asymmetry, THD-I).
The menu is password protected.
Typically, this network analyzer is used with current measuring transformers - 60/5 75/5 100/5 150/5 200/5 250/5 300/5 400/5 500/5 600/5 800/5 1000/5 1500/5 or similar. If you plan to connect the analyzer to a ModBus network, we will send you a "registration table" with ModBus addresses upon request.
Online payment - after placing the order, you will be directed to the payment service, and the payment confirmation will arrive in your email
Cash on delivery - payment to the carrier's driver
Bank transfer - you will receive a pro forma invoice in your email by the next working day, which contains the account number that you will enter in the payment.
Invoice - this payment option is available for partners who have a valid framework agreement with us.
If you want to use the last two payment methods, call our manager, and they will give you instructions on how to obtain an invoice with or without VAT.
The electronic devices we supply meet high quality standards, have a 24-month warranty, and comply with all EU requirements.
We also offer free delivery for orders over €100 and a flexible system of discounts and promotions. The technical expertise and experience of our employees enable high-quality consulting and, if necessary, the provision of alternative electrical products.
The electrical equipment we supply meets high quality standards, has a 24-month warranty, and complies with all EU requirements.
In case of complaints, there is no charge for returns.
