
Notified by email when this product becomes available
- Description
- Instructions
- Payment methods
- Takuu
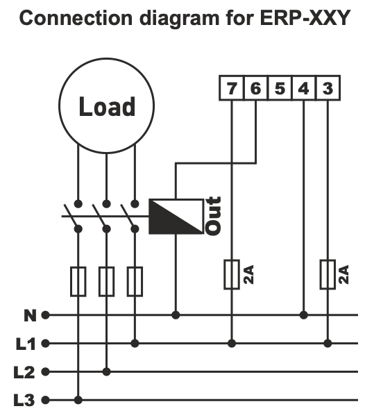
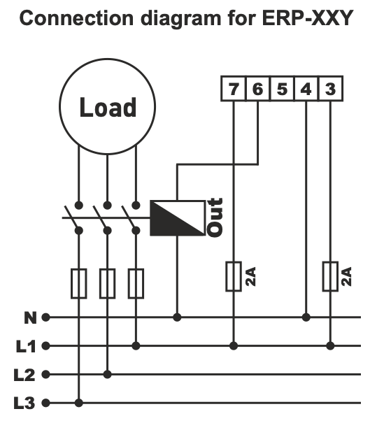
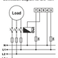
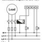
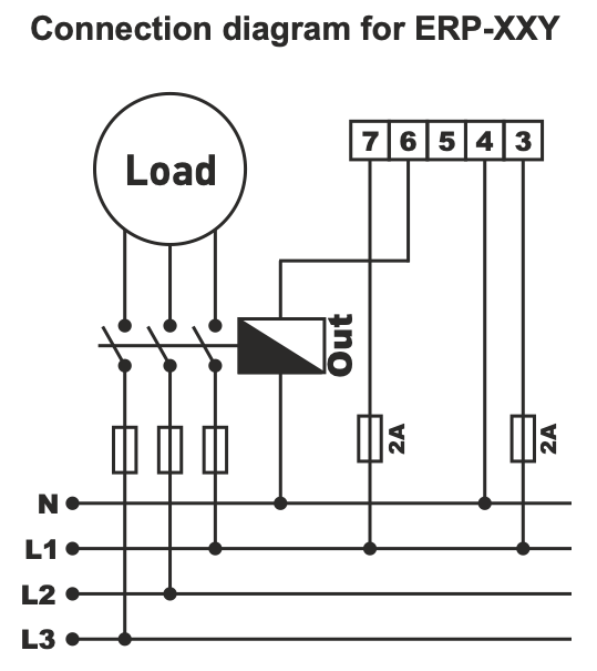
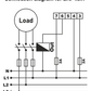
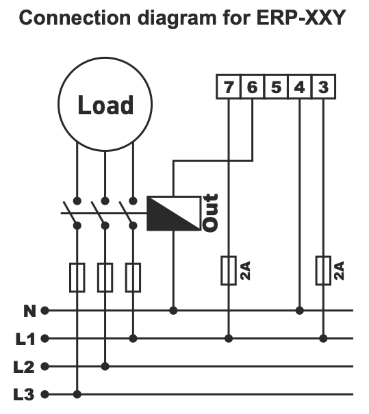
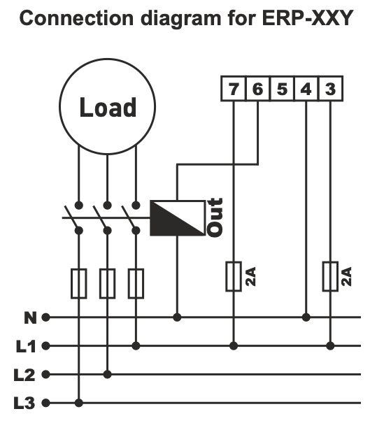
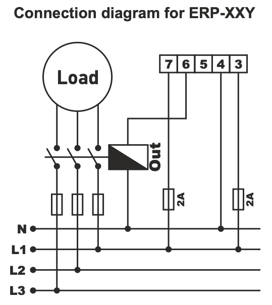
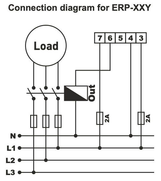
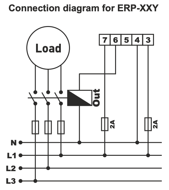
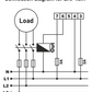
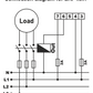
Sisäänrakennettu monitoimirele 230 V/AC, jossa on 1 kytkentäkosketin.
Aikaviive-/aikareleen avulla kytketään kuormat vaiheittain: sähkökattilat, uunit, lämmittimet jne. ja estetään näin virtapiikit verkossa ja suurista ylijännitteistä johtuvat katkaisijoiden laukeamiset.
Sitä voidaan käyttää myös koordinoimaan useiden laitteiden kytkentäaikoja koneissa, laitteissa tai muissa laitteissa.
Aika-alue:
ERP-03Y - 0-3 s
ERP-12Y - 0-12 s
ERP-30Y - 0-30 s
ERP-60Y - 0-60 s
ERP-03DY - 0-3 min.
ERP-12DY - 0-12 min.
ERP-30DY - 0-30 min.
ERP-60DY - 0-60 min.
Lataa osoitteesta
Online payment - after placing the order, you will be directed to the payment service, and the payment confirmation will arrive in your email
Cash on delivery - payment to the carrier's driver
Bank transfer - you will receive a pro forma invoice in your email by the next working day, which contains the account number that you will enter in the payment.
Invoice - this payment option is available for partners who have a valid framework agreement with us.
If you want to use the last two payment methods, call our manager, and they will give you instructions on how to obtain an invoice with or without VAT.
The electronic devices we supply meet high quality standards, have a 24-month warranty, and comply with all EU requirements.
We also offer free delivery for orders over €100 and a flexible system of discounts and promotions. The technical expertise and experience of our employees enable high-quality consulting and, if necessary, the provision of alternative electrical products.
The electrical equipment we supply meets high quality standards, has a 24-month warranty, and complies with all EU requirements.
In case of complaints, there is no charge for returns.
