3 Phase Digital Panel Meters Current Multimeter Voltage Frequency Detector
Failed to load pickup availability
Multimeter - 3-phase panel multimeter, multi-function digital panel meter, current, voltage and frequency display, manufacturer TENSE (Turkey), panel meters
Three-phase VAHz AC panel meter for measuring current and voltage and checking phase connections in three-phase AC devices, machines or distribution systems.
Main advantages:
- (I,U(LL,LN,HZ);
- Measuring range:
- (EM-06 and EM-72), indirect measurement 5/5...9995/5A (EM-06 and EM-72), 1A to 100A (EM-100D), 2-250A (EM-250D);
Voltage - 1V-300V AC (LN), 1V-500V AC (LL);
- Frequency - 40Hz-60Hz;
Phase tracking;
- Measuring transformer included (EM-100D and EM-250D).
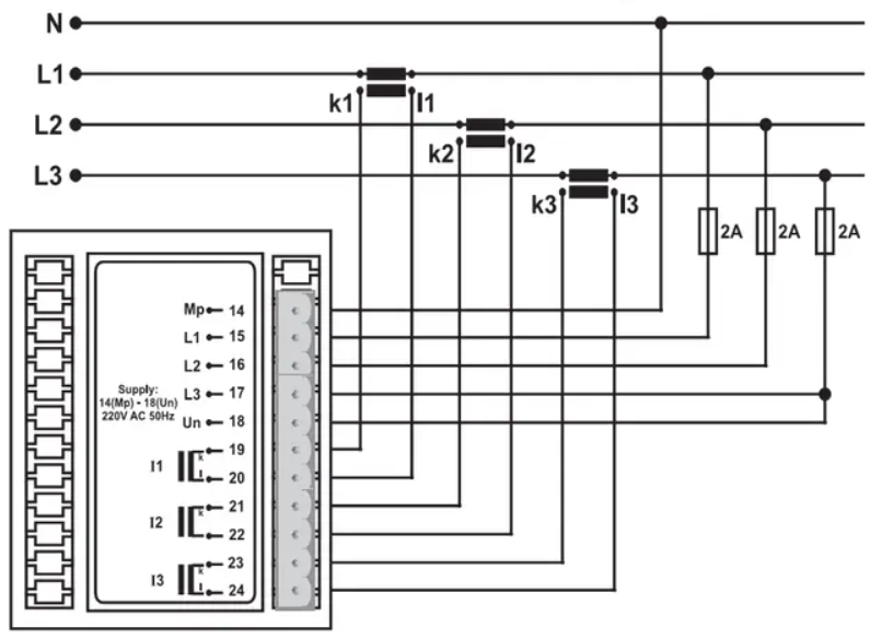
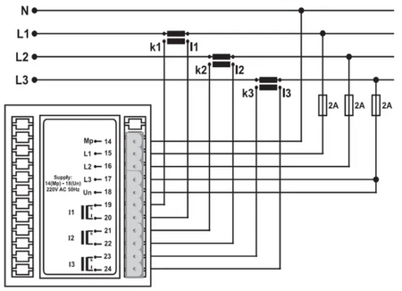
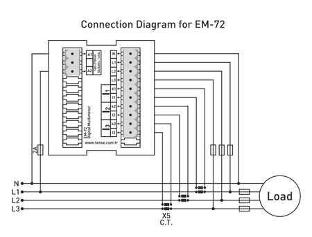
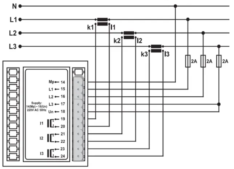
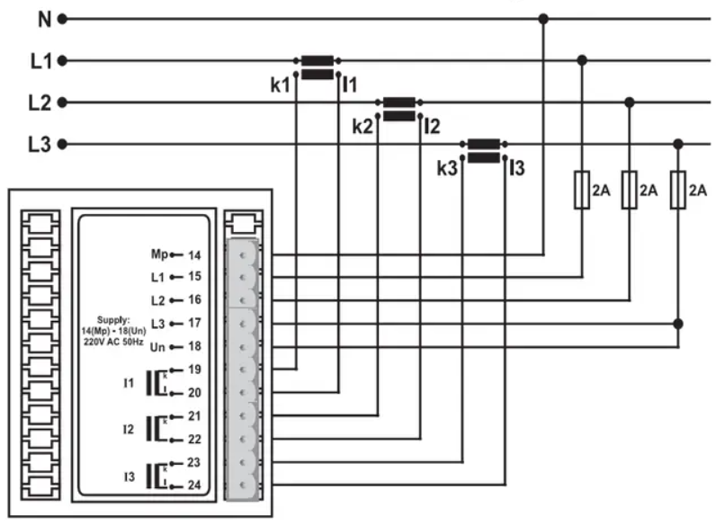
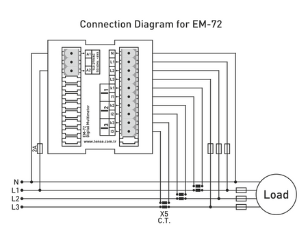
Usually this multimeter (EM-06/EM-72) is used with current measuring transformers - 60/5 75/5 100/5 150/5 200/5 250/5 300/5 400/5 500/5 600/5 800/5 1000/5 1500/5 or similar. You can buy such transformers in our online store,
Online bank payment - after ordering you will be redirected to the payment service, payment confirmation will be sent to you by email
Cash on delivery - payment is made to the driver of the transport company according to the payment rule
By transfer - you will receive an advance invoice in your email no later than the next working day, where you will find the account number, which you enter when making the payment.
Invoice - this payment option is available to partners who have a framework agreement with us.
If you want to use the last two payment methods, please call our manager and he will give you instructions on how to get an invoice with or without VAT.
The electronic devices we supply meet high quality standards, have a 24-month warranty, and meet all EU requirements.
In the event of a complaint, there is no charge for returning the product.