Controller for single-phase pumps up to 30 A

In stock - 5 items available
SKU: MDK-02
Common price €84,64 incl. VAT

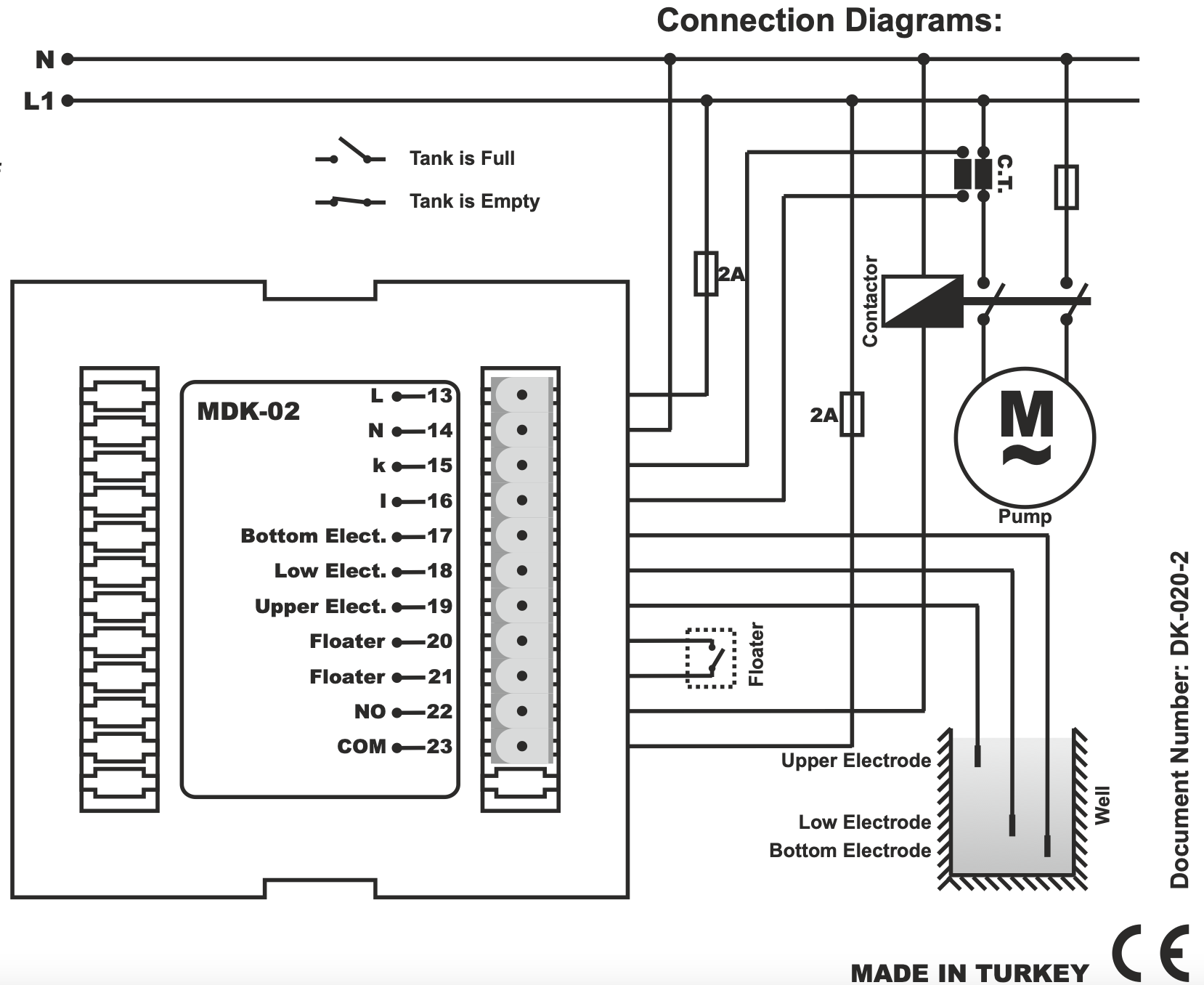
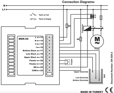
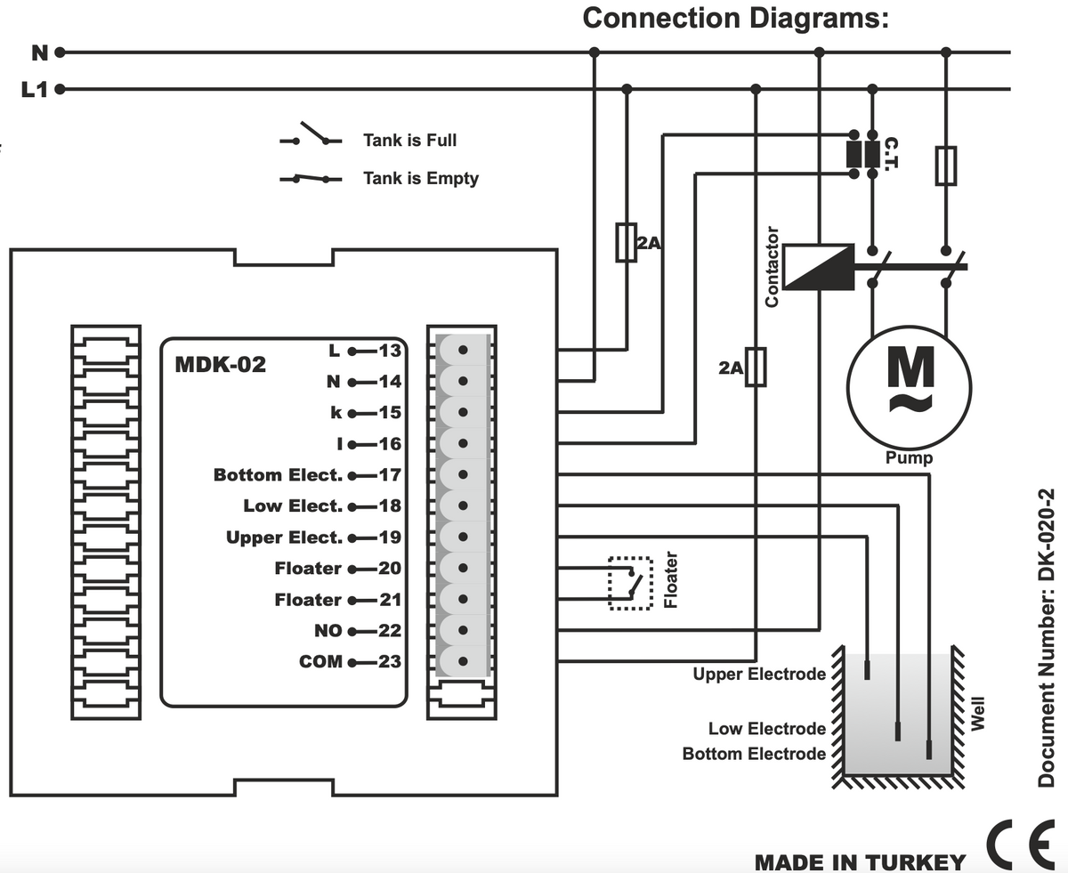
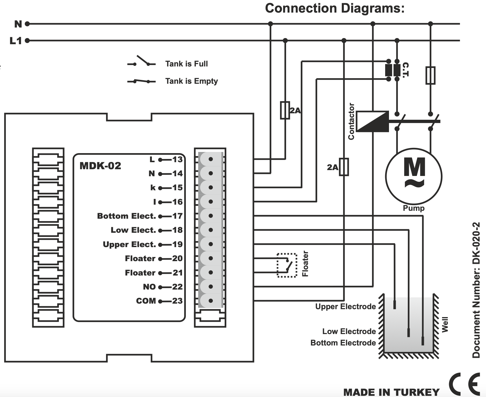
Borehole level meter, well level meter, tank level meter / Single-phase protection relay - submersible pump controller, pump protection, pump operation relay MDK-02 (TENSE)

  • 1A - 30A submersible pump (instrumentation transformer included)
  • Ability to operate with 2 or 3 sensors

  • High/low voltage protection

  • High/low current protection

Panel mounting

Online bank payment - after ordering you will be redirected to the payment service, payment confirmation will be sent to you by email

Cash on delivery - payment is made to the driver of the transport company according to the payment rule

By transfer - you will receive an advance invoice in your email no later than the next working day, where you will find the account number, which you enter when making the payment.

Invoice - this payment option is available to partners who have a framework agreement with us.

​If you want to use the last two payment methods, please call our manager and he will give you instructions on how to get an invoice with or without VAT.

The electronic devices we supply meet high quality standards, have a 24-month warranty, and meet all EU requirements.

In the event of a complaint, there is no charge for returning the product.