RGT-12E - Reactive power regulator 12 levels +TCR
Failed to load pickup availability
12 steps + TCR power factor controller with 2.9" graphic LCD display (TENSE).
The RGT-12E reactive power regulator (TENSE ) is a fully automatic device for optimal switching of compensation stages.
Digital processing of the values measured by the controller ensures high accuracy in estimating effective voltage, current and power factor.
The device setup is fully automatic - the controller itself determines the size of the individual connected compensation steps. These parameters can also be entered directly manually.
The controller switches the compensation phases on and off so that the reactive power is controlled with the fewest possible number of switching operations. At the same time, the controller takes into account the uniform loading of the individual phases and switches in priority those phases that have been de-energized for the longest time and have the least residual charge. During the control process, the compensation phases are continuously monitored in parallel - faults and changes in values are detected, temporarily removed phases are regularly tested and, if necessary, they are brought back into the control process.
Generator feed and generator compensation
Hit, release and settling time can be set.
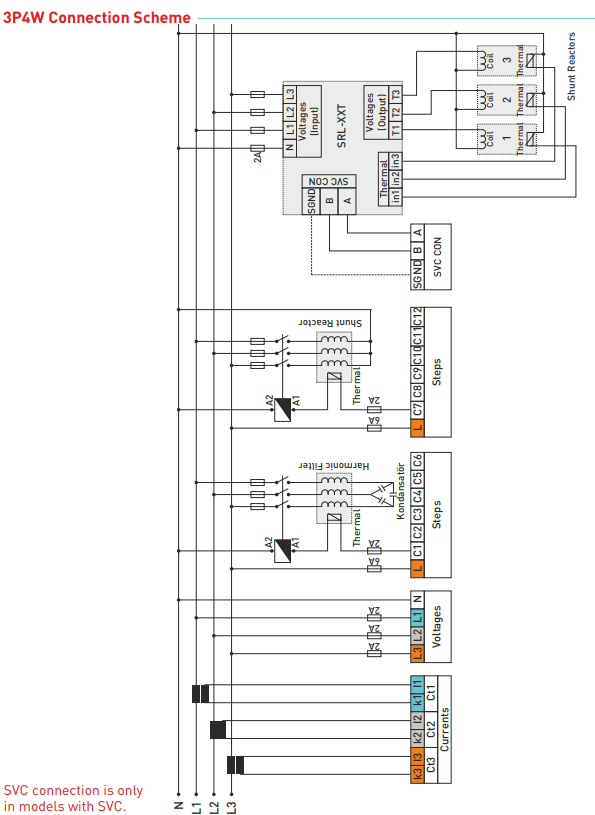
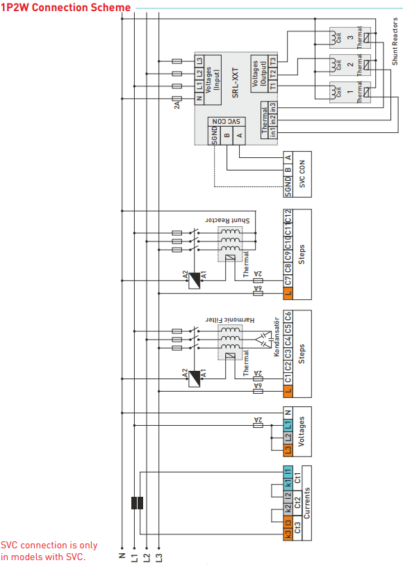
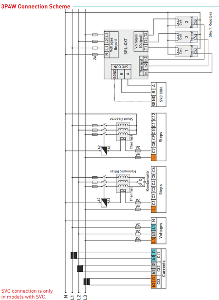
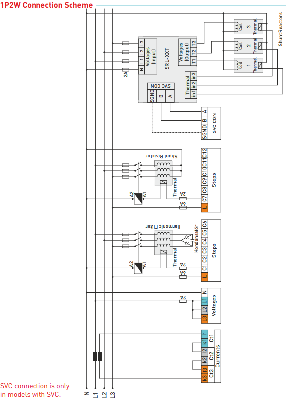
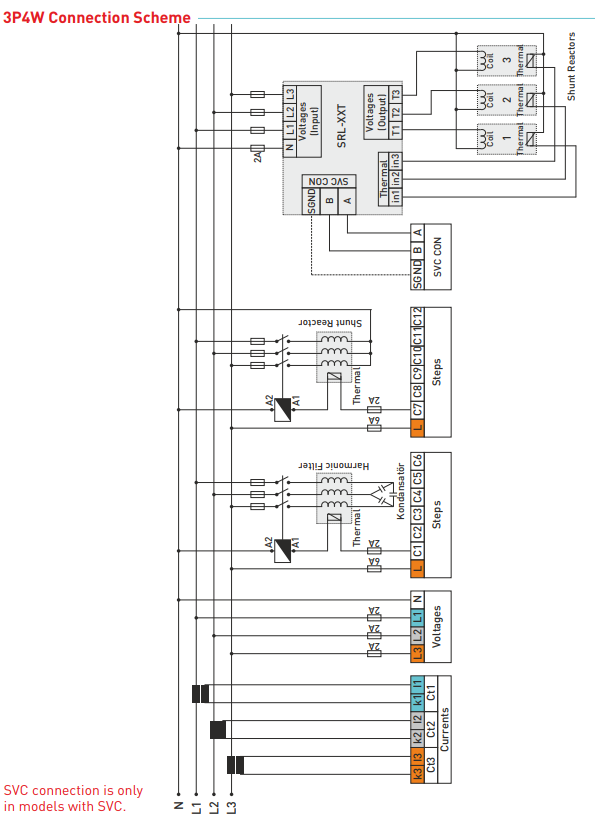
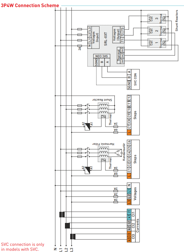
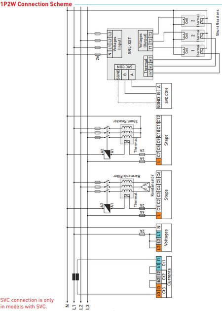
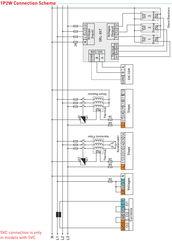
Single-phase, two-phase and three-phase capacitor and short-circuit reactor can be connected.
Harmonic voltage and current can be monitored up to the 31st harmonic.
Total energy can be monitored (import/export).
The THD-V and THD-I values of each phase can be monitored.
-
Create a power analysis (20 samples 9999 min.) - for capacitor selection.
Online bank payment - after ordering you will be redirected to the payment service, payment confirmation will be sent to you by email
Cash on delivery - payment is made to the driver of the transport company according to the payment rule
By transfer - you will receive an advance invoice in your email no later than the next working day, where you will find the account number, which you enter when making the payment.
Invoice - this payment option is available to partners who have a framework agreement with us.
If you want to use the last two payment methods, please call our manager and he will give you instructions on how to get an invoice with or without VAT.
The electronic devices we supply meet high quality standards, have a 24-month warranty, and meet all EU requirements.
In the event of a complaint, there is no charge for returning the product.