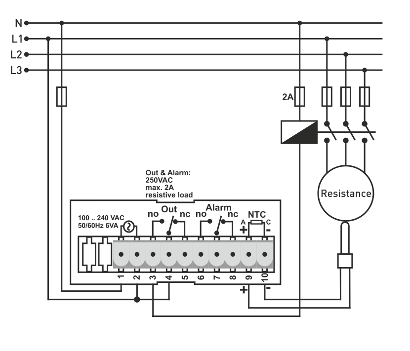
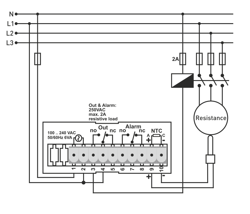
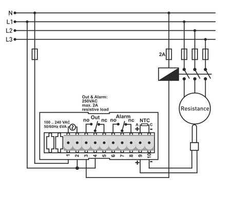
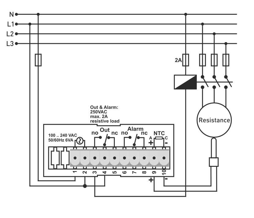
Temperature controller for panel mounting ON - OFF with external sensor
Failed to load pickup availability
Thermostat / 2-point temperature controller for panel mounting, ON-OFF control mode, measuring range -19.9 °C - +99.9 °C, resolution / step 0.1ºC (made in Turkey, TENSE) DT-322
Control and monitoring of thermal processes in heating, air conditioning and ventilation systems, building automation, industrial plants.
Sensor type: NTC
Relay outputs OUT and ALARM (NO+NC) 250VAC, 2A
Optional heating and cooling function
- Hysteresis
Adjustable ON/OFF timers for OUT output in case of sensor failure.
- Protection against pinching thanks to adjustable shutdown times
Upper and lower limits for SET and ALARM settings
Adjustable separate hysteresis for SET and ALARM settings.
Switching delay for OUT in cooling mode
EEPROM memory for saving settings
Password protection
High accuracy
Online bank payment - after ordering you will be redirected to the payment service, payment confirmation will be sent to you by email
Cash on delivery - payment is made to the driver of the transport company according to the payment rule
By transfer - you will receive an advance invoice in your email no later than the next working day, where you will find the account number, which you enter when making the payment.
Invoice - this payment option is available to partners who have a framework agreement with us.
If you want to use the last two payment methods, please call our manager and he will give you instructions on how to get an invoice with or without VAT.
The electronic devices we supply meet high quality standards, have a 24-month warranty, and meet all EU requirements.
In the event of a complaint, there is no charge for returning the product.