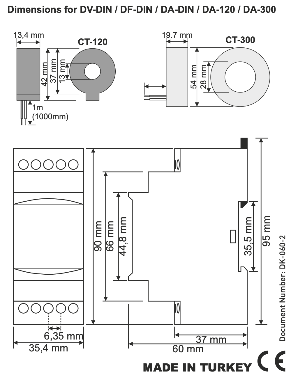
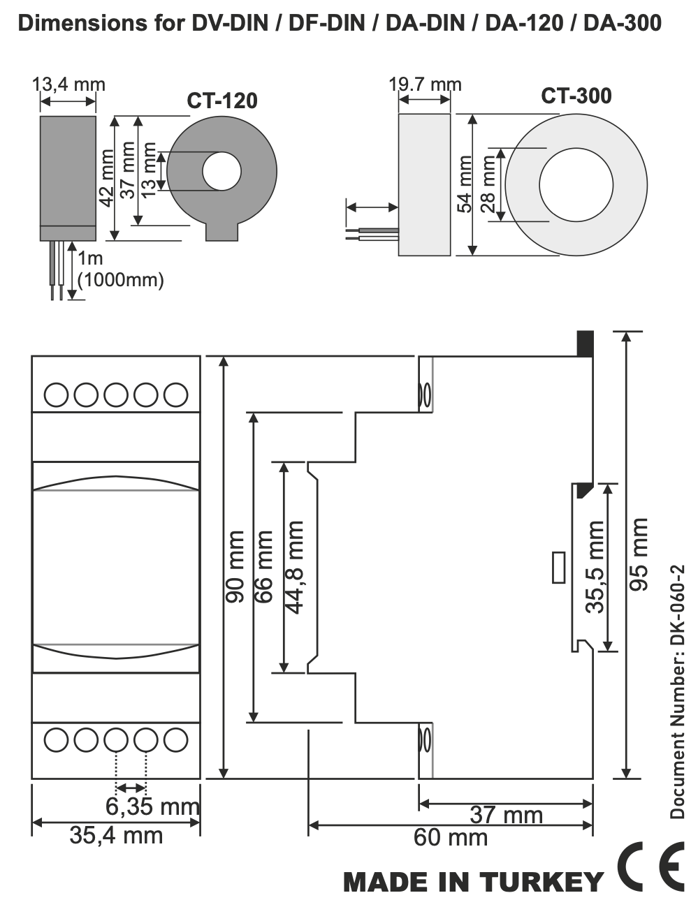
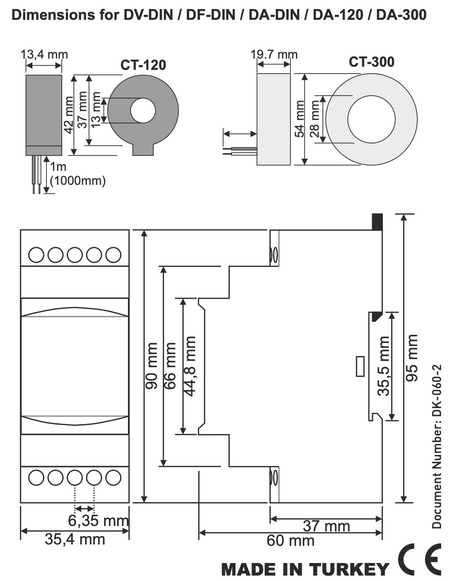
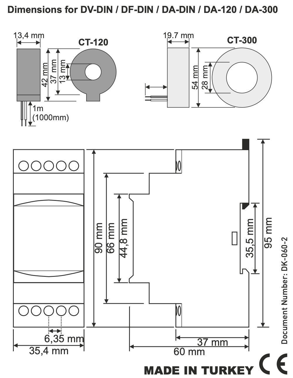
DV-DIN Digital voltage meter for AC voltage 0-500 V, panel meters

Sold
SKU: DV-DIN
Common price €40,12 incl. VAT

Digital voltage meter for alternating voltage 0-500V True RMS, panel meters TENSE

The voltage meter is mounted on a standard 35 mm DIN rail.

Online bank payment - after ordering you will be redirected to the payment service, payment confirmation will be sent to you by email

Cash on delivery - payment is made to the driver of the transport company according to the payment rule

By transfer - you will receive an advance invoice in your email no later than the next working day, where you will find the account number, which you enter when making the payment.

Invoice - this payment option is available to partners who have a framework agreement with us.

​If you want to use the last two payment methods, please call our manager and he will give you instructions on how to get an invoice with or without VAT.

The electronic devices we supply meet high quality standards, have a 24-month warranty, and meet all EU requirements.

In the event of a complaint, there is no charge for returning the product.