Digital overcurrent relay with voltage protection and 3×3-digit LED display TRM-30F

In stock - 5 items available
SKU: TRM-30F
Common price €53,04 incl. VAT
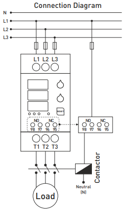
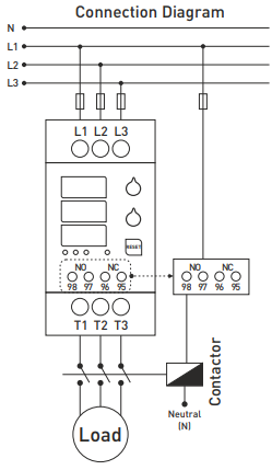
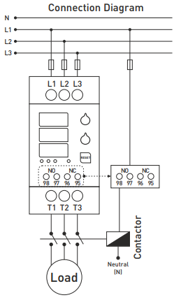
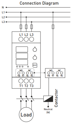
The TRM-30F is a digital overcurrent relay with voltage protection, designed to protect devices using sensitive operating voltages from faults caused by mains voltage and overload. Main parameters: Overload adjustment range: 0.5A - 30A Fixed current asymmetry: 50% Adjustable fault delay time Built-in current measuring transformers Overvoltage protection: 400V (fixed) Undervoltage protection: 265V (fixed) Fixed voltage asymmetry: 30% Phase sequence control Technical data: 3x3-digit display, 7x LEDs High current (overload): 0.5A - 30A Upper voltage limit: 440V (LL) - fixed Lower voltage limit: 265V (LL) - fixed Fault delay (t): 0 - 20 s Current asymmetry: Voltage asymmetry: 30% (fixed), 3 s delay Connection type. 380 g Installation.

Online bank payment - after ordering you will be redirected to the payment service, payment confirmation will be sent to you by email

Cash on delivery - payment is made to the driver of the transport company according to the payment rule

By transfer - you will receive an advance invoice in your email no later than the next working day, where you will find the account number, which you enter when making the payment.

Invoice - this payment option is available to partners who have a framework agreement with us.

​If you want to use the last two payment methods, please call our manager and he will give you instructions on how to get an invoice with or without VAT.

The electronic devices we supply meet high quality standards, have a 24-month warranty, and meet all EU requirements.

In the event of a complaint, there is no charge for returning the product.