
Ilmoitus sähköpostitse, kun tuote on jälleen saatavilla
- Kuvaus
- Ohjeet
- Maksutavat
- Takuu
Mittausvirtamuuntaja TK40 - TENSE
Tuotekuvaus:
TK40-virtamuuntajan mittausikkuna on suunniteltu epäsuoraan vaihtovirran mittaukseen pienjänniteasennuksissa ja teollisuussovelluksissa. Muuntaja muuntaa suuren primäärivirran tavalliseksi sekundäärivirraksi, joka soveltuu laitteiden mittaamiseen, ohjaamiseen tai suojaamiseen.
Ominaisuudet:
-
Tarkkuusvirran muuntaminen 0,5S-tarkkuusluokalla.
-
Kompakti ja kestävä kotelo, joka on valmistettu palamattomasta, paloa hidastavasta ABS:stä
-
Liitinlohko, jossa on irrottamaton kansi, soveltuu suurille johtimille
-
Oikosulkuvirran kestävyys: Ith = 60 × In
-
Vastus vakiovirralle: Id = 1 × In
-
Käyttölämpötila: -25 °C ... +85 °C
-
Asennus: KK0001 tai KK0002
-
Testijännite: 3 kV 1 minuutin ajan
-
Järjestelmän maksimijännite: 0,72 kV.
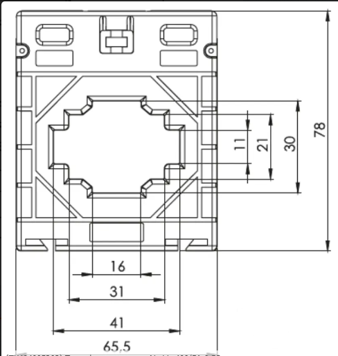
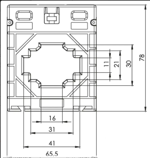
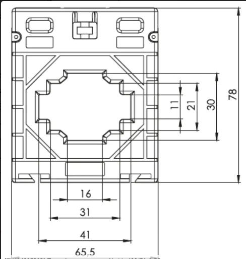
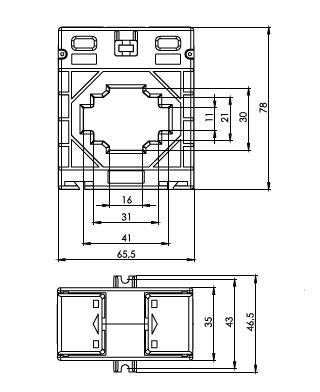
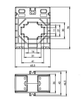
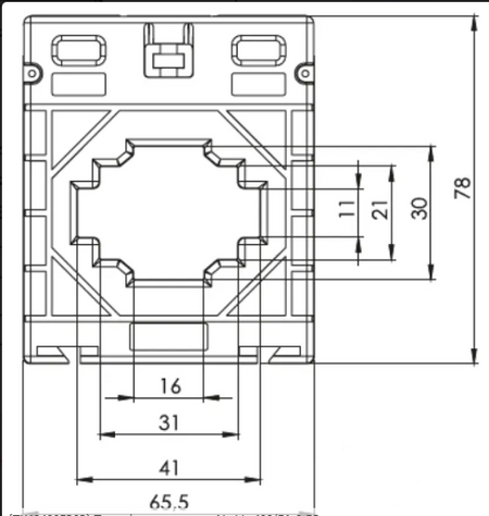
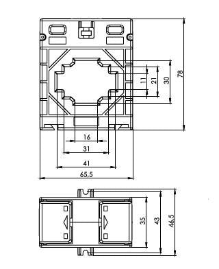
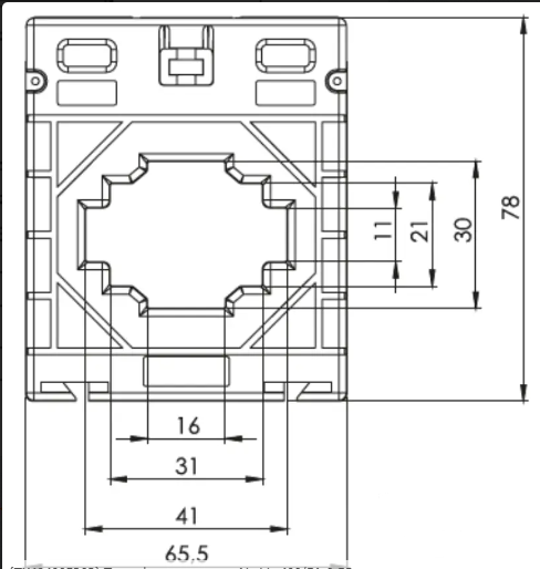
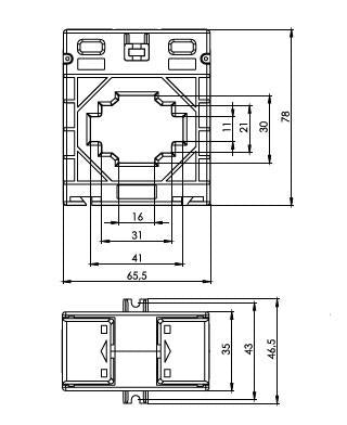
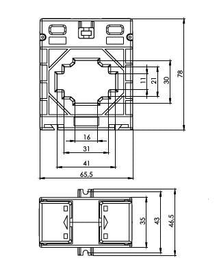
Tekniset parametrit
| Parametri | Arvo |
|---|---|
| Saatavilla olevat vaihtoehdot | 300/5, 400/5, 500/5, 600/5, 800/5 |
| Kantavuus | 3,75 VA |
| Tarkkuusluokka | 0,5S |
| Ensisijainen käämitys | 40 × 10 mm |
| Sisäreikä (johtimen halkaisija) | Ø 30 mm |
| Nimellistaajuus | 50-60 Hz |
| Iskuvirran rajoitus | FS 5 |
| Asennus | KK0001 / KK0002 |
| Kotelon materiaali | Palamaton, paloturvallinen ABS-levy |
Standardit:
STANDARDIT: IEC 60044-1, IEC 61869-2, VDE 0414-1, DIN 57414, BS3938, BS7626, EN 61869-2.
Laadunvalvonta:
Tulokset kirjataan testiraporttiin ja liitetään muuntajaan.
Lataa osoitteesta
Tekniset tiedot virtamuuntajista (996 kB) - lähetetään pyynnöstä.
Verkkopankkimaksu - tilauksen jälkeen sinut ohjataan maksupalveluun, maksuvahvistus saapuu sähköpostiisi
Postiennakko - maksaminen kuljetusyhtiön kuljettajalle
Tilisiirto - saat sähköpostiisi viimeistään seuraavana työpäivänä ennakkolaskun, josta löydät tilinumeron, jonka syötät maksussa.
Lasku- tämä maksuvaihtoehto on käytössä kumppaneilla, joilla on voimassa oleva puitesopimus kanssamme.
Jos haluat käyttää kahta viimeistä maksutapaa, soita managerillemme, niin hän antaa sinulle ohjeet, kuinka saada ALV-lasku tai ilman ALV:tä.
Meidän toimittamamme sähköiset laitteet täyttävät korkeita laatuvaatimuksia, niillä on 24 kuukauden takuu ja ne täyttävät kaikki EU:n vaatimukset.
Tarjoamme myös ilmaisen toimituksen yli 100 €:n tilauksille sekä joustavan alennusten ja kampanjoiden järjestelmän. Työntekijöidemme tekninen osaaminen ja kokemus mahdollistavat korkealaatuisen neuvonnan ja tarvittaessa vaihtoehtoisten sähkötuotteiden tarjoamisen.
Toimittamamme sähkövarusteet täyttävät korkeat laatuvaatimukset, niillä on 24 kuukauden takuu ja ne täyttävät kaikki EU:n vaatimukset.
Reklamaatiotapauksissa palautuksesta ei veloiteta.
