
Ilmoitus sähköpostitse, kun tuote on jälleen saatavilla
- Kuvaus
- Ohjeet
- Maksutavat
- Takuu
Panel Time Relay ERD-48M - Yleiskäyttöinen digitaalinen ajastin teollisuus- ja kotiautomaation käyttöön.
ERD-48M-paneelikellorele on monikäyttöinen digitaalinen ajastin, joka on suunniteltu aikajaksojen ohjaukseen, teollisuusprosesseihin, yksikäyttöisiin koneisiin ja kotiautomaation käyttöön. Se tarjoaa 13 erilaista toimintatilaa, tarkan ohjelmoinnin ja laajan valikoiman ohjausvaihtoehtoja.
Laite mahdollistaa yksinkertaisen aikajakson asettamisen 0,1 sekunnista 99,59 tuntiin etupaneelin painikkeilla. Kaksois-LED-näytön ansiosta arvojen näyttö on selkeä ja luettavissa myös kaukaa.
Tärkeimmät ominaisuudet:
-
Monitoiminen digitaalinen ajastin, jossa on START / RESET / GATE-ohjaustulot.
-
13 ohjelmoitavaa tilaa monenlaisiin sovelluksiin
-
Aikayksiköt: tunnit (99:59) / minuutit (99:59) / sekunnit (599,9 s).
-
Viimeisen tilan muisti - muistaa asetukset ja lähdön tilan sähkökatkon aikana
-
Kaksinkertainen LED-näyttö:
-
Ylin rivi (punainen): asetusarvo
-
alempi rivi (keltainen): nykyinen mitattu aika tai tila.
-
-
OUT-releen sulkeutumisen ilmaisu punaisella LEDillä
-
Sisäänrakennettu virtalähde antureille: 12 V DC, max. 50 mA.
-
Yhteensopiva 24 VDC-signaalien (PNP) tai mukautetun 12 V:n lähdön kanssa liittimestä 9.
-
Kestävä rakenne, 48×48 mm paneeliasennus
Toiminnot ja hallintalaitteet
Laitteessa on 13 erilaista toimintatilaa, jotka mahdollistavat täyden joustavuuden ohjauksessa:
-
Aikaviive ON
-
Aikaviive OFF
-
syklinen päälle/pois
-
kertaluonteinen ajastus
-
peräkkäinen logiikkaohjaus
-
aikarele tauolla (GATE)
-
muut erityiset ajastustilat
(Luettelo 13 tilasta voidaan lisätä pyynnöstä.)
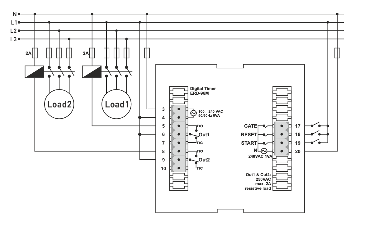
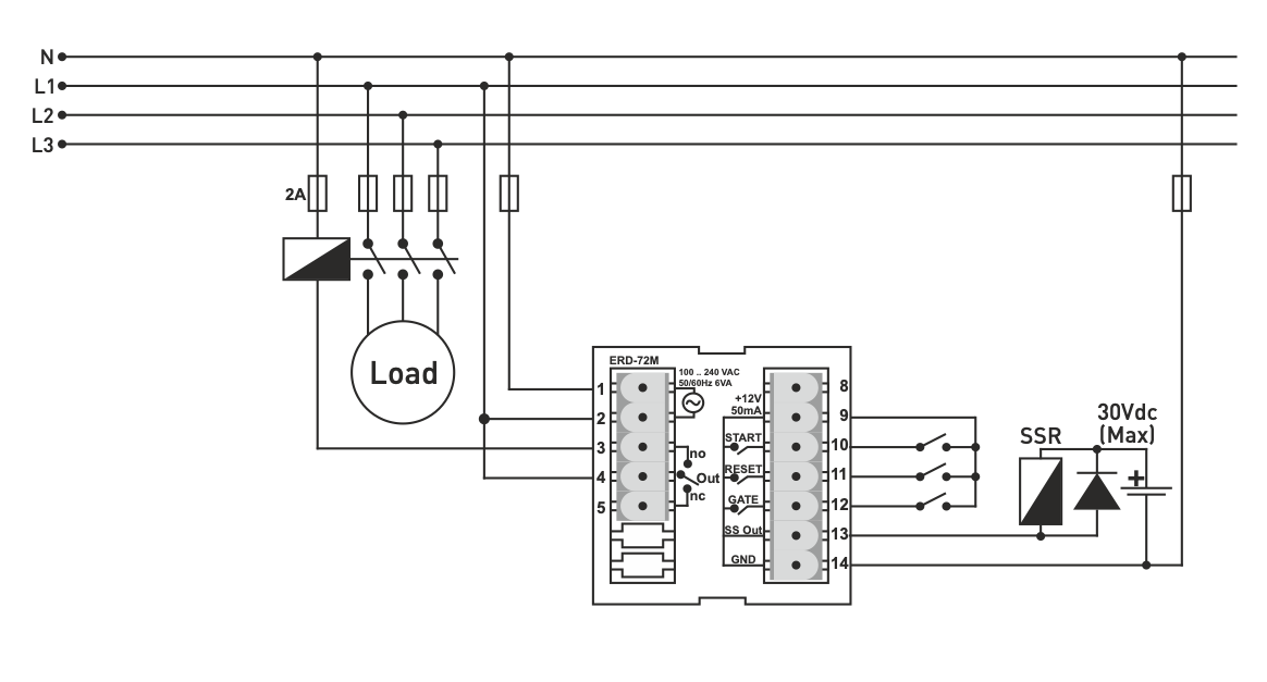
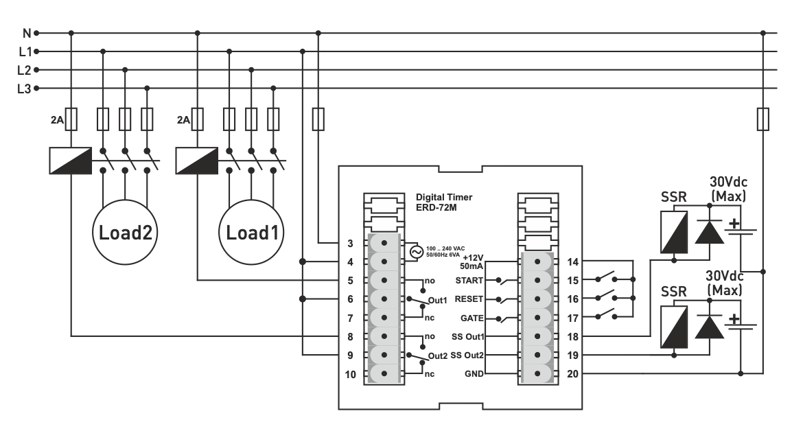
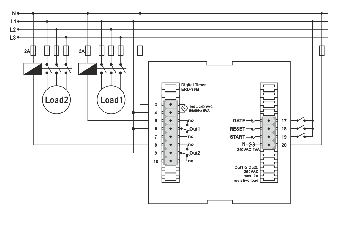
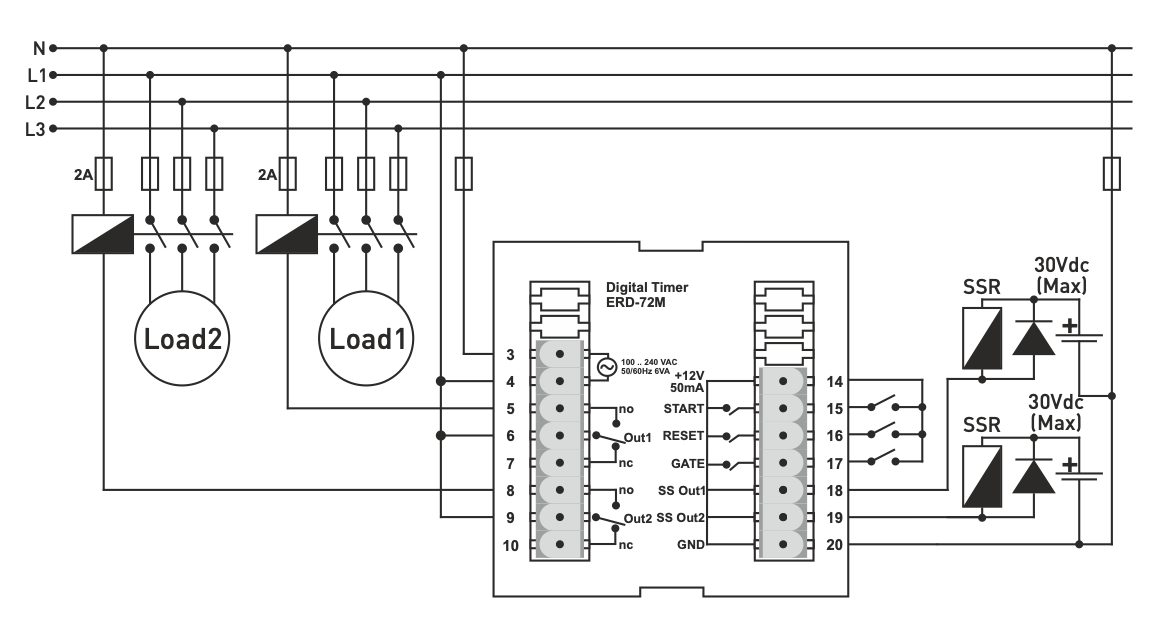
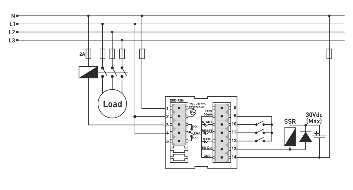
Ohjaustulot:
-
START (liitin 10): käynnistää ajastimen.
-
RESET (liitin 11): nollaa ajan.
-
GATE (liitin 12): keskeyttää lähtölaskennan (PAUSE).
-
Liitin 9: integroitu +12 V DC antureita/ohjauspainikkeita varten (max. 50 mA).
Lähdöt
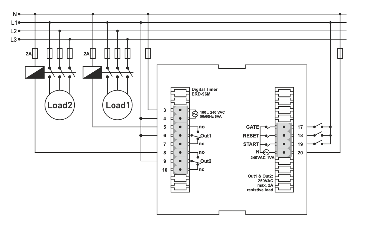
Relelähtö OUT1 (liittimet 4-3-5):
-
Tyyppi: SPDT-kytkin (NO-COM-NC).
-
Kuormitus: 250 VAC / 2 A, resistiivinen kuorma.
SSR-lähtö OUT2 (liittimet 13 ja 14):
-
Ohjaussignaali puolijohdereleelle
-
Max. lähtötaso: 30 V DC
Tekniset tiedot
-
Syöttöjännite: 100...240 V AC, 50/60 Hz.
-
Tehonkulutus: < 8 VA
-
Ajoitusalue:
-
0,1 s - 599,9 s
-
0 - 99:59 min
-
0-99:59 h
-
-
START/RESET/GATE-tulot: 7-32 V DC (ON), 0-2 V DC (OFF).
-
Näyttö: 2 × 4-numeroinen, 7-segmenttinen LED (punainen + keltainen).
-
Käyttölämpötila: -20 °C - +55 °C.
-
Paneeliasennusleikkaus: 44 × 44 mm
-
Kokonaismitat: 48 × 48 × 99 mm
-
Käyttökorkeus: < 2000 m
-
Asennus: paneeliasennus, etukiinnitys
Lataa osoitteesta
Verkkopankkimaksu - tilauksen jälkeen sinut ohjataan maksupalveluun, maksuvahvistus saapuu sähköpostiisi
Postiennakko - maksaminen kuljetusyhtiön kuljettajalle
Tilisiirto - saat sähköpostiisi viimeistään seuraavana työpäivänä ennakkolaskun, josta löydät tilinumeron, jonka syötät maksussa.
Lasku- tämä maksuvaihtoehto on käytössä kumppaneilla, joilla on voimassa oleva puitesopimus kanssamme.
Jos haluat käyttää kahta viimeistä maksutapaa, soita managerillemme, niin hän antaa sinulle ohjeet, kuinka saada ALV-lasku tai ilman ALV:tä.
Meidän toimittamamme sähköiset laitteet täyttävät korkeita laatuvaatimuksia, niillä on 24 kuukauden takuu ja ne täyttävät kaikki EU:n vaatimukset.
Tarjoamme myös ilmaisen toimituksen yli 100 €:n tilauksille sekä joustavan alennusten ja kampanjoiden järjestelmän. Työntekijöidemme tekninen osaaminen ja kokemus mahdollistavat korkealaatuisen neuvonnan ja tarvittaessa vaihtoehtoisten sähkötuotteiden tarjoamisen.
Toimittamamme sähkövarusteet täyttävät korkeat laatuvaatimukset, niillä on 24 kuukauden takuu ja ne täyttävät kaikki EU:n vaatimukset.
Reklamaatiotapauksissa palautuksesta ei veloiteta.
