
Ilmoitus sähköpostitse, kun tuote on jälleen saatavilla
- Kuvaus
- Maksutavat
- Takuu
|
Ylivirtarele TRM-30F näytöllä, 3-vaiheinen, enintään 25A Se on suunniteltu suojaamaan käyttövirta- ja jännitearvoille herkkiä laitteita virheiltä, jotka voivat johtua seuraavista syistä:
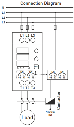
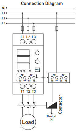
Näytöllä varustetun digitaalisen ylivirta- ylikuormitusreleen TRM-30F avulla voit tarkastella kunkin vaiheen virtaa ja suojata moottoria tai laitetta ylivirralta, ylijännitteeltä, alivirralta, vaihekatkolta ja vaihekääntymiseltä. Nämä digitaaliset ylikuormitusreleet on suunniteltu estämään moottorin/kuorman vaurioituminen suurista virroista ja samalla mahdollistamaan kussakin vaiheessa kulkevan virran seuraaminen näytöltä. Ne pystyvät myös tarkistamaan vaiheiden väliset kumulatiiviset jännitearvot. Kahden lähtöreleen (1x NO, 1x NC) ansiosta on myös mahdollista ohjata tai katkaista kuormaa, kun ylivirran asetusarvo saavutetaan, tai kytkeä päälle merkinantokosketin ohjausjärjestelmään. TRM-xx-digitaalireleissä on sisäänrakennetut virtamuuntajat ja 3x3-numeroinen näyttö virtanäyttöä varten. Sovellus ja toimintaperiaate
Ajurit
Koskettimen tila
Merkkivalo LED
Painikkeen "V/A/RESET" toiminta
Suojaus ja toimintaperiaate 1. Ylivirtasuojaus (0,5-30 A):
2. Suojaus virran epäsymmetriaa vastaan:
3. Ylijännitesuoja (U>440 V):
4. Alijännitesuojaus (U<265 V):
5. Suojaus jännitteen epäsymmetriaa vastaan:
6. Vaihejärjestyssuojaus:
Virran epäsymmetrian laskenta Laite laskee epäsymmetrian kaavan mukaisesti:
Esimerkki: ((25 - 15) / 25) × 100 = 40 % virran epäsymmetria. Tekninen eritelmä
|
Verkkopankkimaksu - tilauksen jälkeen sinut ohjataan maksupalveluun, maksuvahvistus saapuu sähköpostiisi
Postiennakko - maksaminen kuljetusyhtiön kuljettajalle
Tilisiirto - saat sähköpostiisi viimeistään seuraavana työpäivänä ennakkolaskun, josta löydät tilinumeron, jonka syötät maksussa.
Lasku- tämä maksuvaihtoehto on käytössä kumppaneilla, joilla on voimassa oleva puitesopimus kanssamme.
Jos haluat käyttää kahta viimeistä maksutapaa, soita managerillemme, niin hän antaa sinulle ohjeet, kuinka saada ALV-lasku tai ilman ALV:tä.
Meidän toimittamamme sähköiset laitteet täyttävät korkeita laatuvaatimuksia, niillä on 24 kuukauden takuu ja ne täyttävät kaikki EU:n vaatimukset.
Tarjoamme myös ilmaisen toimituksen yli 100 €:n tilauksille sekä joustavan alennusten ja kampanjoiden järjestelmän. Työntekijöidemme tekninen osaaminen ja kokemus mahdollistavat korkealaatuisen neuvonnan ja tarvittaessa vaihtoehtoisten sähkötuotteiden tarjoamisen.
Toimittamamme sähkövarusteet täyttävät korkeat laatuvaatimukset, niillä on 24 kuukauden takuu ja ne täyttävät kaikki EU:n vaatimukset.
Reklamaatiotapauksissa palautuksesta ei veloiteta.
