
Ilmoitus sähköpostitse, kun tuote on jälleen saatavilla
- Kuvaus
- Ohjeet
- Maksutavat
- Takuu
DJ-A96T - Kolmivaiheinen digitaalinen paneeli-ampeerimittari
Kolmivaiheinen digitaalinen ampeerimittari DJ-A96T on suunniteltu kolmivaihejärjestelmien tarkkaan virranvalvontaan. Se voi näyttää kunkin vaiheen L1, L2, L3 hetkellisen kuormituksen ulkoisten virtamuuntajien (CT) avulla. Laite tarjoaa selkeän näytön, yksinkertaisen asennuksen ja luotettavan toiminnan.
Tärkeimmät ominaisuudet
-
Virran mittaus kolmivaihejärjestelmissä
-
Erillinen lukema vaiheille L1, L2 ja L3.
-
Mittaus ulkoisilla virtamuuntajilla
-
CT-suhteen helppo säätö
-
Suuri ja luettava näyttö - 3×4 numeroa, korkeus 14 mm.
-
Kompakti paneelirakenne
Ampeerimittarin tekniset parametrit
-
Syöttöjännite: 230 V AC
-
Laitteen kulutus: < 4 VA
-
Virran mittausalue: 0,1...5,5 A.
-
Tuettu virtalähdealue: 5/5 A - 5000/5 A
-
Mittaustarkkuus: ±2 %
-
Näyttö: LED, 3×4 numeroa, korkeus 14 mm.
-
Mitat: 97,2 × 97,2 mm.
-
Leikkausmitta: 91 × 91 mm
-
Syvyys: 45 mm
-
Pakkaus ei sisällä virtamuuntajia (voidaan ostaa erikseen).
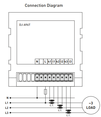
Toimintaperiaate ja asetukset
-
Kytke laite kytkentäkaavion mukaisesti.
-
Kytke virtamuuntajat järjestelmässä odotettavissa olevan virran mukaan (muuntaminen xxxx/5 A).
-
Kytke virtamuuntajan johdot liittimiin "kx" ja "lx". CT-lähtö ei saa ylittää 5 A.
-
Kun virtalähde on kytketty päälle, pidä "Menu" -painiketta painettuna 2 sekunnin ajan.
-
Säädä käytettävien virtalähteiden muunnos ylös/alas-painikkeilla.
-
Tallenna asetukset painamalla pitkään "Menu"-painiketta .
-
Kun kuorma on kytketty, virtamittari alkaa mitata ja näyttää virtaa.
Huomautus: Virtamuuntajat on aina maadoitettava turvallisuussyistä.
Puolijohdelähtöreleen tekniset ominaisuudet
(Tällä kertaa luetellut parametrit vastaavat SSR:ää - jos se halutaan erottaa, voin jakaa sen).
-
Reletyyppi: puolijohderele
-
Ohjausjännite (tulo): 3...32 V DC.
-
Kytkentäjännite: 24...480 V AC (ei sovellu moottoreille).
-
Kytkentäjännitehäviö: < 3 V
-
Laukaisuvirta: 5 mA
-
Kelan jännite: 3...32 V DC
-
Suurin kytkentävirta: 25 A
-
Eristyslujuus: 2500 V AC
-
Kytkentämenetelmä: kytkeytyminen päälle, kun virta kulkee nollan kohdalla.
Verkkopankkimaksu - tilauksen jälkeen sinut ohjataan maksupalveluun, maksuvahvistus saapuu sähköpostiisi
Postiennakko - maksaminen kuljetusyhtiön kuljettajalle
Tilisiirto - saat sähköpostiisi viimeistään seuraavana työpäivänä ennakkolaskun, josta löydät tilinumeron, jonka syötät maksussa.
Lasku- tämä maksuvaihtoehto on käytössä kumppaneilla, joilla on voimassa oleva puitesopimus kanssamme.
Jos haluat käyttää kahta viimeistä maksutapaa, soita managerillemme, niin hän antaa sinulle ohjeet, kuinka saada ALV-lasku tai ilman ALV:tä.
Meidän toimittamamme sähköiset laitteet täyttävät korkeita laatuvaatimuksia, niillä on 24 kuukauden takuu ja ne täyttävät kaikki EU:n vaatimukset.
Tarjoamme myös ilmaisen toimituksen yli 100 €:n tilauksille sekä joustavan alennusten ja kampanjoiden järjestelmän. Työntekijöidemme tekninen osaaminen ja kokemus mahdollistavat korkealaatuisen neuvonnan ja tarvittaessa vaihtoehtoisten sähkötuotteiden tarjoamisen.
Toimittamamme sähkövarusteet täyttävät korkeat laatuvaatimukset, niillä on 24 kuukauden takuu ja ne täyttävät kaikki EU:n vaatimukset.
Reklamaatiotapauksissa palautuksesta ei veloiteta.
