
Notified by email when this product becomes available
- Description
- Instructions
- Payment methods
- Takuu
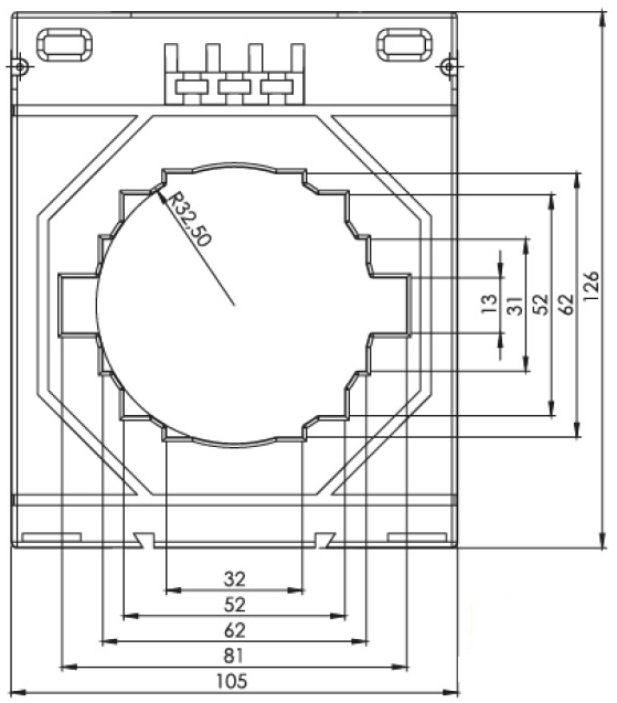
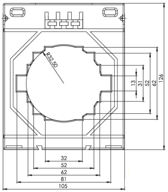
Slide-on instrument transformer for primary rated currents of 1500 A, secondary current of 5 A, power ratings of 25 VA, available in 0.5S accuracy class.
Sliding current transformer for indirect measurement of sinusoidal alternating currents.
The transformer is mounted either using the mounting feet supplied.
Lataa osoitteesta
Tekniset tiedot virtamuuntajista (996 kB) - lähetetään pyynnöstä.
Online payment - after placing the order, you will be directed to the payment service, and the payment confirmation will arrive in your email
Cash on delivery - payment to the carrier's driver
Bank transfer - you will receive a pro forma invoice in your email by the next working day, which contains the account number that you will enter in the payment.
Invoice - this payment option is available for partners who have a valid framework agreement with us.
If you want to use the last two payment methods, call our manager, and they will give you instructions on how to obtain an invoice with or without VAT.
The electronic devices we supply meet high quality standards, have a 24-month warranty, and comply with all EU requirements.
We also offer free delivery for orders over €100 and a flexible system of discounts and promotions. The technical expertise and experience of our employees enable high-quality consulting and, if necessary, the provision of alternative electrical products.
The electrical equipment we supply meets high quality standards, has a 24-month warranty, and complies with all EU requirements.
In case of complaints, there is no charge for returns.
