
Notified by email when this product becomes available
- Description
- Instructions
- Payment methods
- Takuu
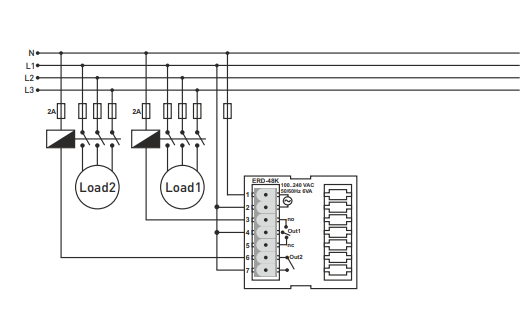
Time cyclic + ON-DELAY relay LED display for panel/door mounting 230VAC - Flash at the start of a pulse, flash at the start of a pause, cyclic relay, time switch with delay. TENSE ERD-48K
A time relay with two functions - on-delay function and cyclic relay function.
Time setting range:
99.9 seconds, 999 seconds, 99.9 minutes or 999 minutes (optional front panel).
Online payment - after placing the order, you will be directed to the payment service, and the payment confirmation will arrive in your email
Cash on delivery - payment to the carrier's driver
Bank transfer - you will receive a pro forma invoice in your email by the next working day, which contains the account number that you will enter in the payment.
Invoice - this payment option is available for partners who have a valid framework agreement with us.
If you want to use the last two payment methods, call our manager, and they will give you instructions on how to obtain an invoice with or without VAT.
The electronic devices we supply meet high quality standards, have a 24-month warranty, and comply with all EU requirements.
We also offer free delivery for orders over €100 and a flexible system of discounts and promotions. The technical expertise and experience of our employees enable high-quality consulting and, if necessary, the provision of alternative electrical products.
The electrical equipment we supply meets high quality standards, has a 24-month warranty, and complies with all EU requirements.
In case of complaints, there is no charge for returns.
