
Notified by email when this product becomes available
- Description
- Instructions
- Payment methods
- Takuu
12 steps + TCR Power factor controller with 2.9" graphic LCD display and RS-485 (TENSE).
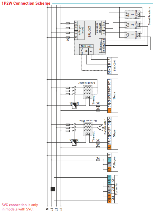
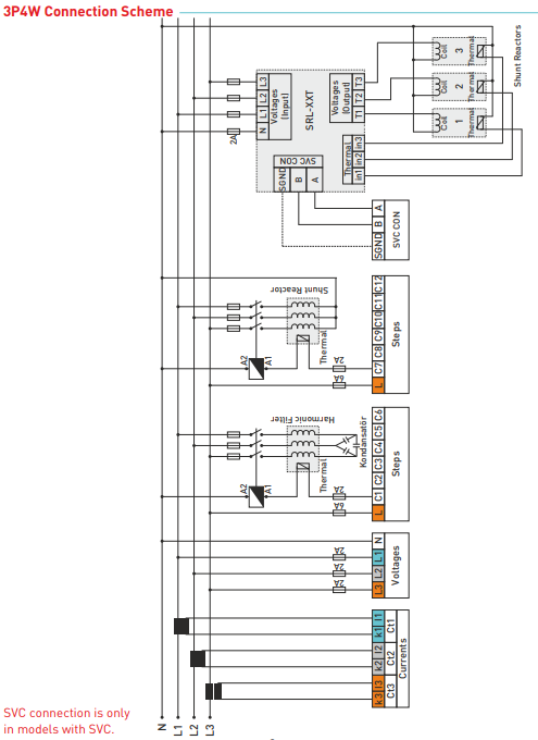
The RGT-12SVC reactive power regulator (TENSE ) is a fully automatic device for optimal switching of compensation stages.
Digital processing of the values measured by the controller ensures high accuracy in estimating effective voltage, current and power factor.
The device setup is fully automatic - the controller itself determines the size of the individual connected compensation steps. These parameters can also be entered directly manually.
The controller switches the compensation phases on and off so that the reactive power is regulated with the fewest possible number of switching operations. At the same time, the controller takes into account the uniform loading of the individual phases and switches in priority those phases that have been de-energized for the longest time and have the least residual charge. During the control process, the compensation phases are continuously monitored in parallel - faults and changes in values are detected, temporarily removed phases are regularly tested and, if necessary, they are brought back into the control process.
Generator feed and generator compensation
Hit, release and settling time can be set.
Remote communication via RS485 (RS485 ModBus RTU).
Single-phase, two-phase and three-phase capacitor and shunt reactor can be connected.
Harmonic voltage and current can be monitored up to the 31st harmonic.
Total energy (import/export) can be monitored.
-
The THD-V and THD-I values of each phase can be monitored.
Create a power analysis (20 samples 9999 min.) - for capacitor selection.
Online payment - after placing the order, you will be directed to the payment service, and the payment confirmation will arrive in your email
Cash on delivery - payment to the carrier's driver
Bank transfer - you will receive a pro forma invoice in your email by the next working day, which contains the account number that you will enter in the payment.
Invoice - this payment option is available for partners who have a valid framework agreement with us.
If you want to use the last two payment methods, call our manager, and they will give you instructions on how to obtain an invoice with or without VAT.
The electronic devices we supply meet high quality standards, have a 24-month warranty, and comply with all EU requirements.
We also offer free delivery for orders over €100 and a flexible system of discounts and promotions. The technical expertise and experience of our employees enable high-quality consulting and, if necessary, the provision of alternative electrical products.
The electrical equipment we supply meets high quality standards, has a 24-month warranty, and complies with all EU requirements.
In case of complaints, there is no charge for returns.
