
Notified by email when this product becomes available
- Description
- Instructions
- Payment methods
- Takuu
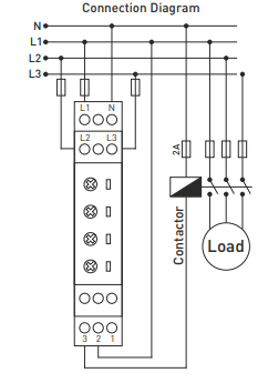
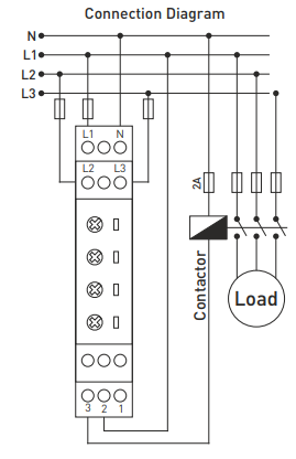
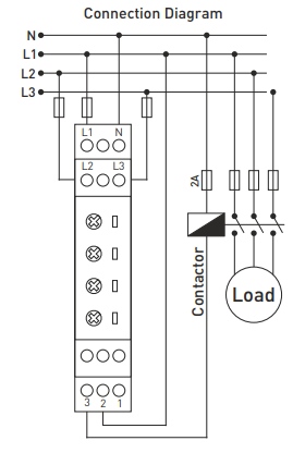
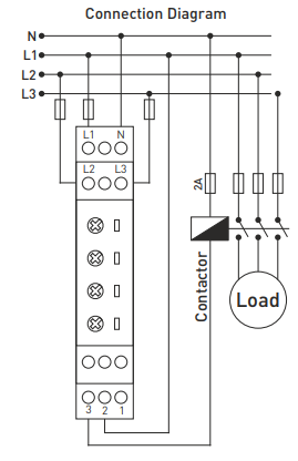
Jännitteen valvontarele, jossa on viiveajastin toimintatilaan paluuta varten, jännitteen nousun ja laskun valvonta, jännitteen minimi- ja maksimiarvon asettaminen, vaihejärjestyksen valvonta GKV-12F, TENSE
Jännitteenvalvontareleen toiminta-algoritmi on seuraava:
Kun rele on kytketty syöttöjännitteeseen ja jännitearvot vastaavat asetettuja arvoja, rele aktivoituu ja releen LED () syttyy. Kun jännitearvot ylittävät asetetut arvot, vastaava vika-LED syttyy, odottaa viiveaikaa (DT), jonka jälkeen rele deaktivoituu ja releen LED sammuu. Kun jännite palaa normaaliarvoihin, laite odottaa nollausaikaa (RT), jonka jälkeen rele aktivoituu ja releen LED syttyy.
Tarvittavat asetukset ja virheilmoitukset
-
HV: korkeajänniteasetus, kun jännite nousee yli tämän arvon, HV-LED syttyy.
-
LV: matalajänniteasetus, kun jännite laskee alle tämän arvon, LV-LED syttyy.
-
DT: viiveaika, odotusaika ennen virheen syöttämistä.
-
RT: nollausaika, odotusaika ennen kuin rele reagoi, kun jännite palaa normaaliksi.
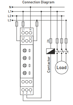
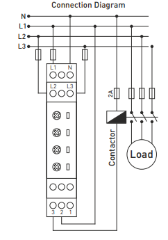
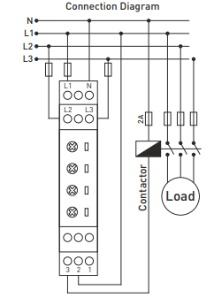
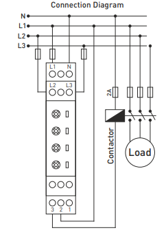
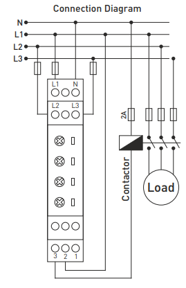
Rele aktivoitu: koskettimet 2 ja 3 kiinni, 1 ja 2 auki.
Rele deaktivoitu: koskettimet 2 ja 1 kiinni, 3 ja 2 auki.
Tekniset tiedot
-
Käyttöjännite: 3 × 380 VAC, 50/60 Hz.
-
Nimellinen käyttöjännite: 220 VAC, 50/60 Hz.
-
Korkea jännite: 230 V-300 V
-
Pienjännite: 140 V-210 V
-
Viiveaika: 0,1 s - 20 s
-
Nollausaika: 0,1 s - 20 s
-
Käyttöteho: < 6 VA
-
Käyttölämpötila: -20 °C - +55 °C.
-
Näyttö: 4 LEDiä
-
Paino: 0,210 kg
-
Kosketin: 5 A / 250 VAC (resistiivinen kuorma)
-
Käyttökorkeus: < 2000 m
-
Kaapelin halkaisija: 1,5 mm²
Online payment - after placing the order, you will be directed to the payment service, and the payment confirmation will arrive in your email
Cash on delivery - payment to the carrier's driver
Bank transfer - you will receive a pro forma invoice in your email by the next working day, which contains the account number that you will enter in the payment.
Invoice - this payment option is available for partners who have a valid framework agreement with us.
If you want to use the last two payment methods, call our manager, and they will give you instructions on how to obtain an invoice with or without VAT.
The electronic devices we supply meet high quality standards, have a 24-month warranty, and comply with all EU requirements.
We also offer free delivery for orders over €100 and a flexible system of discounts and promotions. The technical expertise and experience of our employees enable high-quality consulting and, if necessary, the provision of alternative electrical products.
The electrical equipment we supply meets high quality standards, has a 24-month warranty, and complies with all EU requirements.
In case of complaints, there is no charge for returns.
