
Notified by email when this product becomes available
- Description
- Instructions
- Payment methods
- Takuu
Time relay - flash at the start of a pulse, flash at the start of a pause cyclic relay - symmetrical / asymmetrical cycle
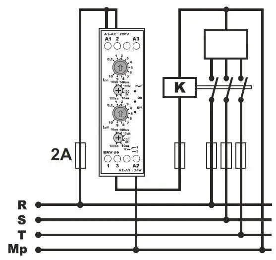
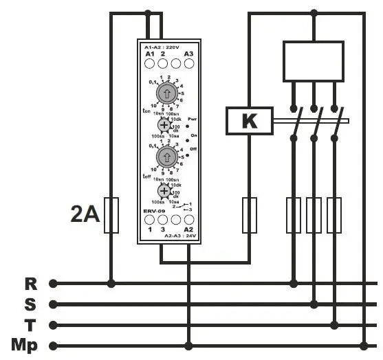
A cyclic relay or cyclic time relay is used to periodically switch on electrical loads (such as lights, fans, etc.) or to switch on control signals in automatic monitoring or control systems (such as switching on an emergency flasher or horn). This cyclic timer can be useful for organizing automatic ventilation processes, opening and closing windows, periodically switching on heating or ventilation, lighting or rotating advertising signs.
If the relay is configured so that its start and stop times are symmetrical, it can be used, for example, to gradually switch on certain electrical devices with limited current/power (heaters, heat generators). Thanks to the switchable output contact, the cycle can be started either pulse-like or with a pause.
The time relay is mounted on a standard 35 mm DIN rail.
Online payment - after placing the order, you will be directed to the payment service, and the payment confirmation will arrive in your email
Cash on delivery - payment to the carrier's driver
Bank transfer - you will receive a pro forma invoice in your email by the next working day, which contains the account number that you will enter in the payment.
Invoice - this payment option is available for partners who have a valid framework agreement with us.
If you want to use the last two payment methods, call our manager, and they will give you instructions on how to obtain an invoice with or without VAT.
The electronic devices we supply meet high quality standards, have a 24-month warranty, and comply with all EU requirements.
We also offer free delivery for orders over €100 and a flexible system of discounts and promotions. The technical expertise and experience of our employees enable high-quality consulting and, if necessary, the provision of alternative electrical products.
The electrical equipment we supply meets high quality standards, has a 24-month warranty, and complies with all EU requirements.
In case of complaints, there is no charge for returns.
