
Notified by email when this product becomes available
- Description
- Instructions
- Payment methods
- Takuu
Aikareleet ERD-96 ERD-48, ERD-72 - TENSE
Viiveen ajastin / syklinen pulssirele / symmetrinen ja epäsymmetrinen pulssigeneraattori.
ERD-96 ERD-48, ERD-72 - aikarele on suunniteltu luomaan aikaviive päälle tai tuottamaan syklisiä pulsseja erilaisten prosessien ohjaamiseen automaatio- ja ohjausjärjestelmissä (ACS).
Se soveltuu erityisesti käytettäväksi:
-
AC-järjestelmiin,
-
uima-altaiden ja tekniikan valvontaan,
-
hätä- ja turvajärjestelmät,
-
yleiseen automaatioon ja peräkkäisten laitosten ohjaukseen.
Tärkeimmät ominaisuudet
-
Kaksi perustoimintoa
-
Viiveajastin
-
Syklinen rele (pulssigeneraattori - symmetriset/asymmetriset pulssit).
-
-
Laaja aika-alue:
0,1 s - 999 minuuttia. -
Lähtölaskenta - jäljellä olevan ajan digitaalinen näyttö (jäähdytysaika).
-
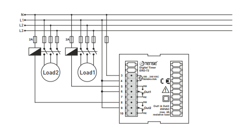
Yksinkertainen kytkentä liitinriman kautta
-
Soveltuu yleiskäyttöön vaihtovirtaverkoissa 100...240 V.
Tekniset tiedot
Mekaaniset ja näyttöparametrit
-
Näyttö: 3-numeroinen 7-segmenttinen LED-näyttö.
Toiminnot
-
Välitön lähtö käynnistyksen jälkeen (Out2)
-
Viivästetty lähtö käynnistyksen jälkeen (Out1)
Tulot
-
START-tulo: koskettimet 11-12
-
100...240 V AC, 50/60 Hz
-
Kulutus max. 3 mA
Ajastus
-
-
Alueet:
-
99,9 s
-
999 s
-
99,9 min
-
999 min
(valinnainen)
-
-
Resoluutio:
-
0,1 s / 1 s / 0,1 min / 1 min.
-
-
Tarkkuus: ±1,5 % asetetusta arvosta.
Lähdöt
-
Out1 - Viivästetty lähtö:
-
NO-O-NC-rele
-
250 V AC, 2 A (resistiivinen kuorma)
-
-
Out2 - Välitön lähtö:
-
NO-O-rele
-
250 V AC, 2 A (resistiivinen kuorma)
-
Virtalähde
-
Syöttöjännite: 100...240 V AC, 50/60 Hz.
-
Tehonkulutus: < 5 VA
Ympäristöolosuhteet
-
Käyttölämpötila: -20 °C - +55 °C
-
Käyttökorkeus: enintään 2000 m
Lataa osoitteesta
Online payment - after placing the order, you will be directed to the payment service, and the payment confirmation will arrive in your email
Cash on delivery - payment to the carrier's driver
Bank transfer - you will receive a pro forma invoice in your email by the next working day, which contains the account number that you will enter in the payment.
Invoice - this payment option is available for partners who have a valid framework agreement with us.
If you want to use the last two payment methods, call our manager, and they will give you instructions on how to obtain an invoice with or without VAT.
The electronic devices we supply meet high quality standards, have a 24-month warranty, and comply with all EU requirements.
We also offer free delivery for orders over €100 and a flexible system of discounts and promotions. The technical expertise and experience of our employees enable high-quality consulting and, if necessary, the provision of alternative electrical products.
The electrical equipment we supply meets high quality standards, has a 24-month warranty, and complies with all EU requirements.
In case of complaints, there is no charge for returns.
